
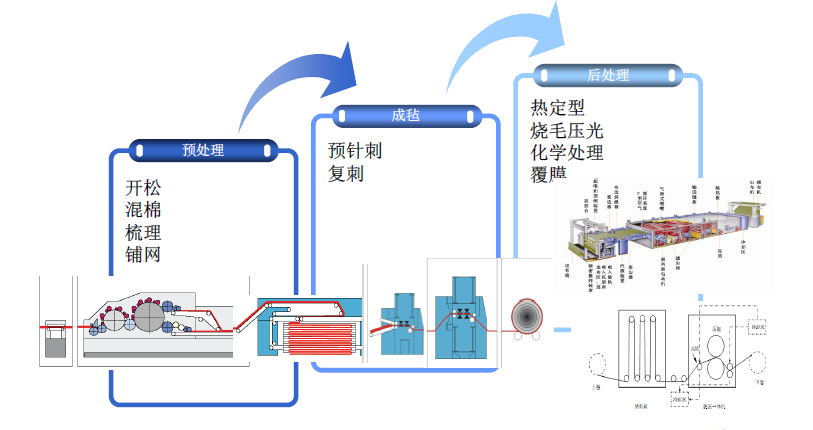
(Yy易游体育科技)袋式除尘器用针刺非织造过滤材料后整理工艺主要包括烧毛、压光、浸渍、热定型、覆膜等。
覆膜滤料的过滤在膜表面进行,与普通滤料的深层过滤不同,属于表层过滤,一般工况下,覆膜滤料的过滤效率可达99.99%,可控制5mg/Nm3以下的排放精度。
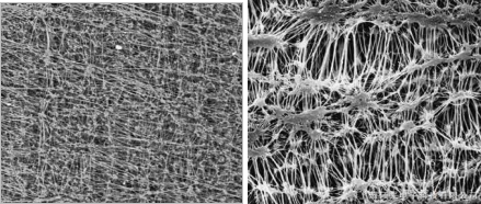
覆膜滤料所用的膜材料多为聚四氟乙烯(PTFE)微孔膜,分为高温膜和常温膜。PTFE微孔膜利用高温和压力贴合到滤料上。对于热塑性纤维滤料,均匀烧毛后表面的熔融物的再次熔融产生的粘结力对覆膜牢度起积极作用;对于热固性纤维滤料,需要通过表面特殊处理后才能将PTFE微孔膜贴合牢固。
PTFE微孔膜具备PTFE材料的所有特性,Yy易游体育科技采用进口Tokuden电磁加热覆膜机,并利用Yy易游体育科技自主研发的“高效低阻”覆膜技术,使其与PTFE纤维滤料牢固结合,可有效提高滤料的过滤性能,满足5 mg/Nm3以下的超低排放。